Zeitrelais Zeit Relais Schalter 230V AC 10A F&F PCA-512
- Zeitrelais Zeit Relais Schalter PCA-512 230V AC 10A Zeitrelais mit verzögerter Abschaltung F&F 5434 5908312595434 preis-zone
Zeitrelais Zeit Relais Schalter PCA-512 230V AC 10A Zeitrelais mit verzögerter Abschaltung F&F 5434
Das Zeitrelais PCA-512 wird zur Zeitsteuerung in Industrieautomatisierung Systemen und Hausautomatisierung Systemen (z. B. Lüftung, Heizung, Beleuchtung, Signalisierung usw.) verwendet.
Betriebsmodus: Abschaltung mit Verzögerung Bis zum Einschalten bleibt der Schaltkontakt des Relais in Position 11-10. Nach dem Anlegen der Versorgungsspannung (grüne LED leuchtet) wird der Schaltkontakt in Position 11-12 geschaltet und die eingestellte Betriebszeit läuft ab (rote LED leuchtet). Nachdem die Zeit abgelaufen ist, kehrt der Schaltkontakt zu Position 11-10 zurück. Die Wiederinbetriebnahme der Betriebsart des Relais ist möglich, nachdem die Stromversorgung unterbrochen und wieder eingeschaltet wurde..

Die Montage des Zeitrelais erfolgt auf einer 35mm-Schiene. Der Anschluss der modularen Leuchte ist eine 2,5mm²-Schraubklemme. Die Betriebstemperatur reicht von -25 ÷ 50 °C. Schutzart IP20. F&F ist einer der größten polnischen Hersteller von hochwertigen elektronischen Geräten.
Einstellung der Betriebszeit: Verwenden Sie den Zeitbereich-Einstellknopf T↔, um einen der ausgewählten Zeitbereiche einzustellen und den Zeit-Einstellknopf Tx, um den ausgewählten Wert auf einer Skala von 1 bis 12 einzustellen. Das Produkt dieser Werte beträgt die Dauer der Betriebszeit (z. B. 1 m × 7 = 7 Min.).


Achtung! Wenn das Relais eingeschaltet ist, reagiert das System nicht auf die Änderung der Zeitbereichseinstellungen.
Achtung! Der Betrieb mit dem neu eingestellten Zeitbereich ist nach Aus- und Wiedereinschalten möglich.
Achtung! Wenn das Relais im eingestellten Zeitbereich eingeschaltetwird, ist es möglich, die Zeit kontinuierlich im Bereich der Zeiteinstellwerte 1÷12 einzustellen.
Montage:
1) Schalten Sie die Stromversorgung ab.
2)Montieren Sie das Relais auf einer Schiene im Schaltkasten.
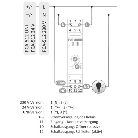
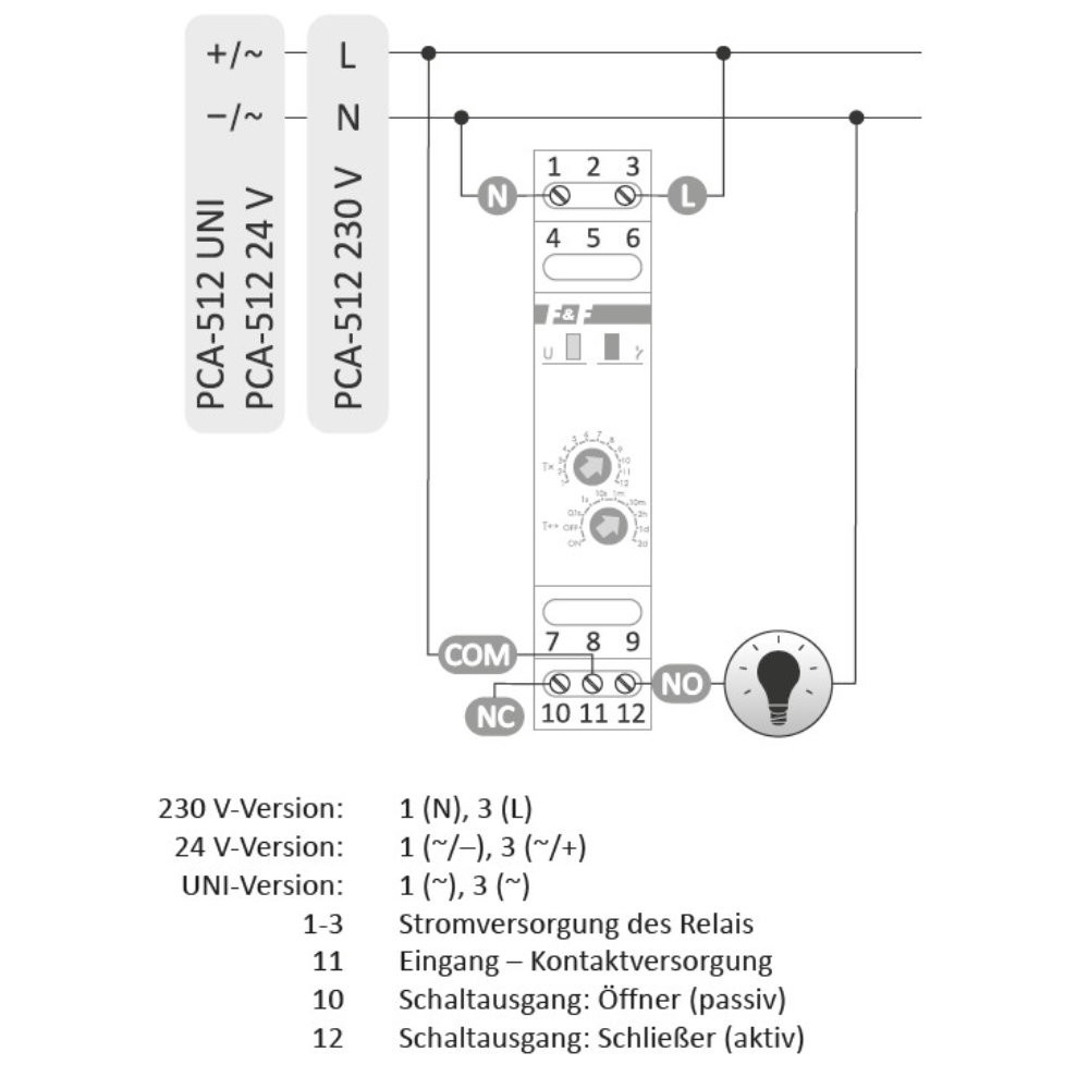
3)Schließen Sie die Stromkabel (wie markiert) an die Klemmen 1-3 an.
4) Schließen Sie die Stromversorgungsschaltung des Empfängers in Reihe an die Klemmen 11-12 an.
5) Verwenden Sie die Regler, um die Betriebszeit einzustellen.
*Die folgende Abbildung zeigt das Anschlussbild des Zeitrelais:


| Versorgung | 195÷253 V AC |
| Belastungsstrom (AC-1) (max.) |
8 A |
| Kontakt | separiert 1×NO/NC |
| Betriebszeit (einstallbar) | 0,1 Sek.÷576 Std. |
| Verzögerung der Aktivierung | <50 mSek. |
| Signalisierung der Versorgung | grüne LED-Leuchte |
| Signalisierung des Kontaktzustandes |
rote LED-Leuchte |
| Leistungsaufnahme | 0,8 W |
| Anschluss | Schraubklemmen 2,5 mm² |
| Anzugsdrehmoment | 0,4 Nm |
| Betriebstemperatur | -25÷50°C |
| Abmessungen | 1 Modul (18 mm) |
| Montage | Montage auf DIN-Schiene (TH-35) |
| IP-Schutzklasse: | IP20 |
| Hersteller | F&F |
| Sumbol |
PCA-512 |
| EAN |
5908312595434 |












