Stromwandler TI-200-5 Stromstärke Werte senken F&F TI-200/5
- TI-200/5
Stromwandler TI-200-5 Stromstärke Werte senken Current transformer F&F
Stromwandler TI-200-5 Stromstärke Werte senken Current transformer F&F
Der Stromwandler/Transformator wird verwendet zur proportionalen Änderung hoher Ströme zu niedrigeren Werten, angepasst an die Messbereiche von Steuer- und Messgeräten.
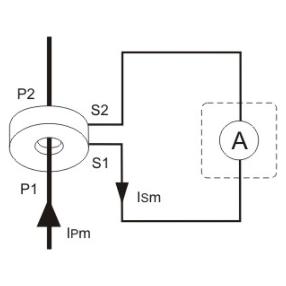
Funktion: Das Kabel mit dem gemessenen Strom führt durch die Hauptöffnung des Transformators (P1 / P2), die einer Wicklung der Primärwicklung entspricht. Die Anschlüsse der Sekundärwicklung S1 und S2 sind mit den Anschlüssen des Messkreises des Steuer- oder Messgerätes verbunden. Das Verhältnis der Ströme in beiden Wicklungen ist ein fester Wert und wird als Stromverhältnis bezeichnet: IPn / ISn = N, wobei IPn - Nennprimärstrom ist; ISn - Sekundärnennstrom; N - Wert der Übertragung. Aus dem Wert des durch die Sekundärwicklung fließenden Stroms kann der Wert des durch die Primärwicklung fließenden Stroms bestimmt werden: ISm * N = IPm, wobei ISm - gemessener Primärstrom; IPm - gemessener Sekundärstrom.
Achtung! Es wird empfohlen, das Sekundärsystem mit einem Draht mit einem Durchmesser von nicht weniger als 2,5 mm² anzuschließen. Empfohlene Erdung der Klemme S2. Es ist verboten, das Sekundärsystem während des Betriebs des Transformators freizuschalten (Möglichkeit von Hochspannung mit der Folge eines Stromschlags für Personen oder einer Beschädigung des Geräts).


| Typ | 1-phasig |
| Konstruktion | gekapselt |
| Getriebe lp/ls | 200/5 |
| Klasse | 0,5 |
| Leistung [VA] |
5 VA |
| Häufigkeit |
50÷60 Hz |
| Maximale Arbeitsspannung |
0,66 kV AC |
| No. | IEC 60044-1 |
| Sekundär-Nennstrom Is | 5 A |
| Isolationsbruchsignal | 3 kV/1 min. |
|
Gewicht |
0,235 kg |
| Faktor Sicherheit | FS ˂ 5 |
| Anschluss S1/S2 |
Schraubklemmen 4 mm² |
| Bohrungsabmessungen P1/P2 - A1/A2/A3xB; C [mm]. |
30 mm/25 mm/20 mm x 10 mm; Ø22 mm |
| Abmessungen BxHxT [mm] | 61 mm × 81 mm × 34 mm |
| Anzugsmoment | 0,5 Nm |
| Arbeitstemperatur | -5÷40°C |
| Montageposition | waagerecht und senkrecht |
| montage |
Platte/Schiene |
| Schutzklasse | IP20 |
| Symbol |
TI-200/5 |
| Hersteller |
F&F |
| EAN |
5908312594970 |
Tabelle zum Vergleich:





























