Spannungsüberwachung Relais m.feste Spannungsasymetrieschwelle CZF2-BR
- preis-zone kitzingen Spannungsüberwachungsrelais Ueberwachungs Relais mit feste Schwelle der Spannungsasymetrie CZF2-BR F&F
Spannungsüberwachungsrelais mit feste Schwelle der Spannungsasymetrie CZF2-BR
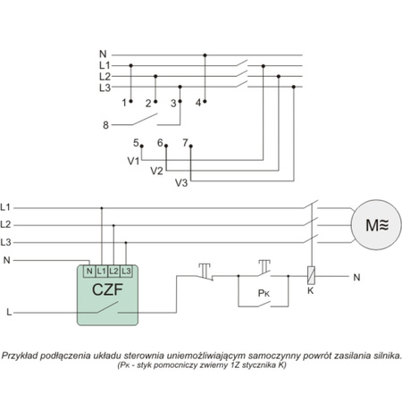
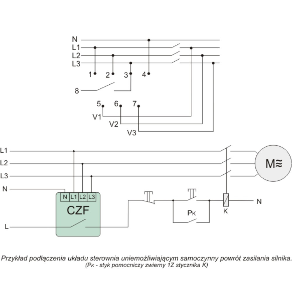
Der Phasenausfallsensor mit Schützkontaktüberwachung dient dem Schutz von dreiphasigen netzgespeisten Elektromotoren bei Spannungsausfall in mindestens einer Phase oder Spannungsasymmetrie zwischen den Phasen sowie bei Beschädigung der Schützkontakte des Schaltschützes, die zu Motorschäden führen können
Betrieb
Ein Spannungsverlust auf mindestens einer beliebigen Phase oder eine Spannungsasymmetrie zwischen den Phasen oberhalb der Auslöseschwelle führt zur Abschaltung des Motors. Die Abschaltung erfolgt mit einer Verzögerung von 4 s, die verhindert, dass der Motor bei einem kurzzeitigen Spannungsabfall abgeschaltet wird.
Die Wiedereinschaltung erfolgt automatisch, wenn die Spannung um 5 V über die Auslösespannung ansteigt (d. h. um den Spannungshysteresewert).
Das Versagen eines der Kontakte des Motorschaltschützes führt zur dauerhaften Abschaltung des Motors. Ein Wiedereinschalten ist erst möglich, nachdem die Stromversorgung vollständig unterbrochen, der Schützfehler behoben und der Motor neu gestartet wurde.
Technische Daten
- Versorgungsspannung 3x 400 V + N
- Zusammenarbeit mit Stromerzeugern NEIN
- Steuerung des Phasenverlusts/der Asymmetrie JA
- Steuerung der Phasenfolge NEIN
- Schützkontaktsteuerung JA
- Ausführungselement Relais
- Maximaler Laststrom 10 A
- Max. einstellbarer Erfassungsradius (h: 2,5 m, Temp. ˂ 24 °C) 10m
- Montagehöhe des Melders 2,0 m ÷ 6,0 m
- Art der Erfassung Infrarotstrahlung
- Anschlussklemmen 1,5 mm²
- Anzugsdrehmoment 0,3 Nm
- Leistungsaufnahme 0,5 W
- Oberflächenmontage Betriebstemperatur -20 ÷ 40 °C
- Schutzart IP65 - hermetisch
































