
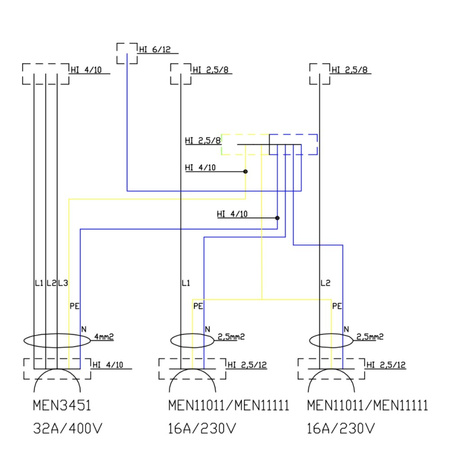
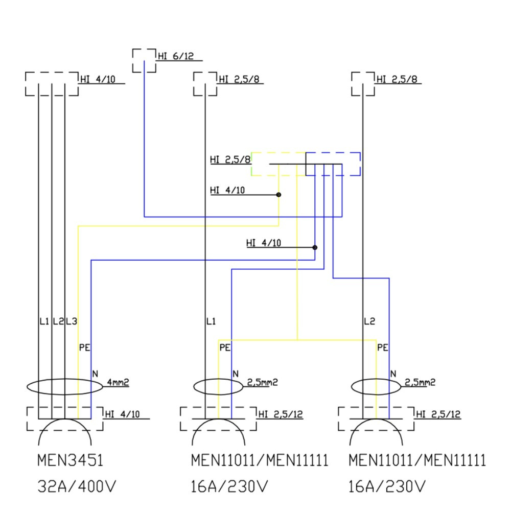
Ein Baustromverteiler ist ein Gerät, das zur Versorgung und zum Schutz elektrischer Anlagen dient. Er schützt diese Anlagen vor negativen Folgen bei Überlastungen und Kurzschlüssen. Er wird auf Baustellen, in Industriegebäuden, Garagen und Gärten verwendet.








































