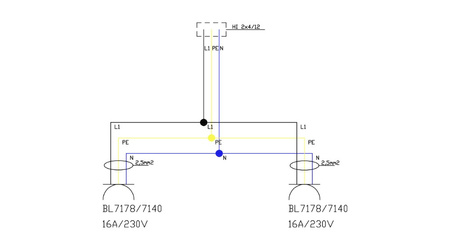
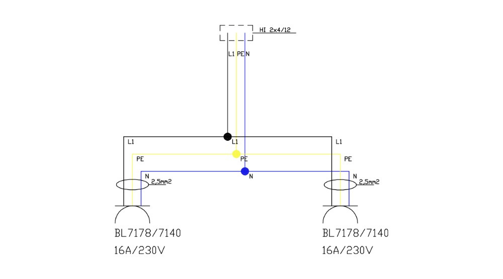
Energiewürfel Stromverteiler mDV 2x230V/16A für Druckluft ∅8mm Doktorvolt DV-2749-D
- Stromverteiler mDV 2x230V/16A für Druckluft Pneumatikschlauch ∅8mm mit 1,5m Verzinktkette Verteiler Kreuzverteiler Elektromaterial DV-2749-D Preis-Zone
Energiewürfel Stromverteiler mDV 2x230V mit pneumatische Anschluss Schuko System Doktorvolt ®
⭐⭐⭐⭐⭐
➡️ Stromverteiler mDV 2x230V Doktorvolt®, Vorteile:
✔️ Kompaktes und dichtes Gehäuse aus hochwertigsten Materialien,
✔️ ausgestattet mit zwei 2x 230 V 16 A Steckdosen,
✔️ Kabel und Steckdosen von namhaften Herstellern elektrischer Geräte,
✔️ Schutzklasse IP 44,
✔️ anschlussfertig,
✔️ Verzintkette - 1,5m,
✔️ pneumatische Anschluss.
➡️ Stromverteiler mDV 2x230V Doktorvolt®, Anwendung:
✔️ Auf Baustellen und -Flächen und bei Straßenbauarbeiten,
✔️ in Industriebetrieben,
✔️ in Werkstätten und Garagen, wo es notwendig ist, Geräte an eine Steckdose anzuschließen,
✔️ beim Bau des eigenen Hauses,
✔️ um Grünflächen und Massenveranstaltungen im Freien mit Strom zu versorgen.
➡️ Zusammensetzung der Stromverteiler:
✔️ zwei 2x 230V 16A Steckdosen, Schutzklasse IP54,
✔️ Verzintkette - 1,5m,
✔️ pneumatische Anschluss.
➡️ Bei der Herstellung der Stromverteiler hat Doktorvolt® vom TÜV SÜD zertifiziertem Managementsystem implementiert:
✔️ Garantie für hohe Qualität,
✔️ klarer Informationsfluss,
✔️ Garantie für Sicherheit,
✔️ gute Kundenservice.

|
Anwendung |
- Wird verwendet, um die Luft in das pneumatische System für zwei unabhängige Linien trennen. |
|
Nennstrom (InA) |
16 A |
|
Spannung (Un) |
230 V |
|
(fn) |
50Hz |
| Steckdosen |
2x230V 16A/3P 2P+PE IP54 7178 blau RAL 5015 Typ 7178 Bals Schuko System |
| Stecknippel mit Außengewinde Anzahl |
1x Stecknippel mit Außengewinde DN 5,5 |
| 3-Wegestücke mit Einhand-Schnellverschlusskupplungen Anzahl |
1x 3-Wegestücke mit Einhand-Schnellverschlusskupplungen DN 7,2 |
| Schutzart | IP44 |
| PG 13,5 Kabelverschraubung IP68 10bar |
Ja |
| Aufhängegriff | Ja |
| Verzinktkette |
1,5m |
| Kreuzverteiler Material |
Kunststoff |
| Kreuzverteiler Farbe |
elektrograu |
| Kreuzverteiler Abmessung |
112 x 112 x 80mm |
| Hersteller | Doktorvolt |
| Artikelnummer | DV-2749-D |
| EAN | 5905669992749 |









