Stromverteiler 32A 16A 2x230V franz/belg System Baustromverteiler FRED Doktorvolt DV-2343-F
Baustromverteiler Stromverteiler FRED 32A 16A 2x230 Mennekes Doktorvolt®
franzözisch/belgisch System
⭐⭐⭐⭐⭐
➡️ Stromverteiler FRED 32A 16A 2x230 Doktorvolt®, Vorteile:
✔️ Kompaktes und dichtes Gehäuse aus hochwertigsten Materialien,
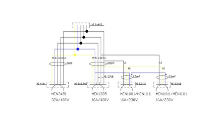
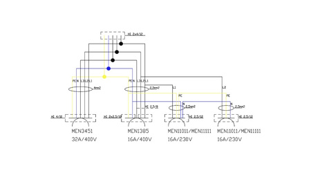
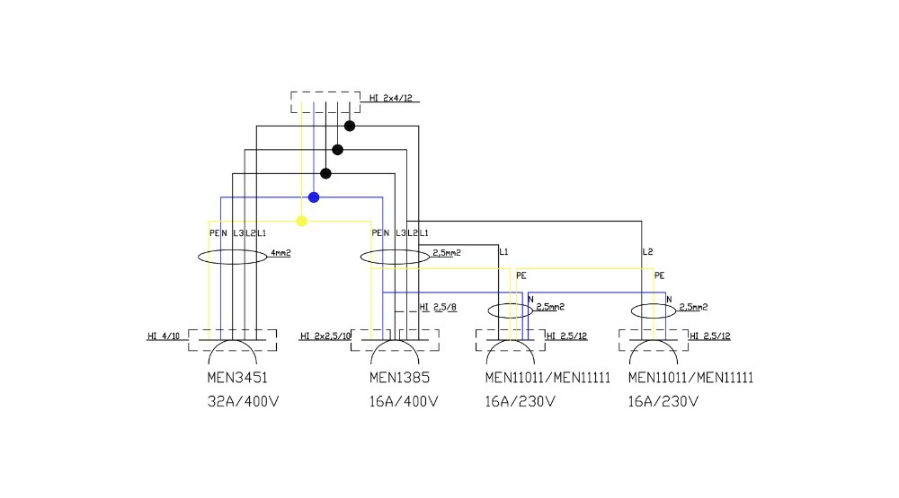
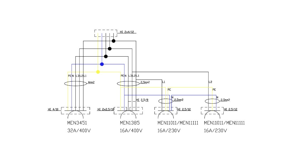
✔️ ausgestattet mit zwei 2x 230 V 16 A Steckdosen und 1x 400 V 16 A, 1x 400V 32A Mennekes-Steckdosen,
✔️ Kabel und Steckdosen von namhaften Herstellern elektrischer Geräte,
✔️ Schutzklasse IP 44,
✔️ anschlussfertig.
➡️ Stromverteiler FRED SKH 2x16A 3x230 Doktorvolt®, Anwendung:
✔️ Auf Baustellen und -Flächen und bei Straßenbauarbeiten,
✔️ in Industriebetrieben,
✔️ in Werkstätten und Garagen, wo es notwendig ist, Geräte an eine Steckdose anzuschließen,
✔️ beim Bau des eigenen Hauses,
✔️ um Grünflächen und Massenveranstaltungen im Freien mit Strom zu versorgen.
➡️ Zusammensetzung der Stromverteiler:
✔️ zwei 2x 230 V 16 A Steckdosen, Schutzklasse IP 44,
✔️ 1x 400 V 16 A und 1x 400 V 32 A CEE-Steckdosen, Schutzklasse IP 44,
✔️ Verkabelung.
➡️ Bei der Herstellung der Stromverteiler hat Doktorvolt® vom TÜV SÜD zertifiziertem Managementsystem implementiert:
✔️ Garantie für hohe Qualität,
✔️ klarer Informationsfluss,
✔️ Garantie für Sicherheit,
✔️ gute Kundenservice.

| Gehäuse | |
| Gehäuse | hermetische Gehäuse 010.A.PL |
| Montage | Aufputz |
| Schutzart | IP44 |
| Gehäusegröße | 245 x 195 x 95 mm |
| maximaler Querschnitt der Anschlussleitung | 16mm2 |
| Gehäusematerial | PVC |
| Farbe der Frontplatte | Grau RAL 7035 |
| Farbe der Rückplatte | Schwarz |
| Kabelverschraubung | 1x PG-16 |
| Zertifikate und Normen | CE |
| Steckdosen und modulare Geräte | |
| CEE-Steckdosen |
1x 400 V 32 A IP44 rot Typ 3451 Mennekes |
| 230V Steckdosen | 2 x 230V 16A 230V 2p+E IP44 blau Typ 11011 franz/belg System |
| Verkabelung | |
| Verkabelungtyp | H07V-K Leitung 2,5, 4 mm2 gelb-grün H07V-K Leitung 2,5, 4 mm2 schwarz H07V-K Leitung 2,5, 4 mm2 blau |
| Allgemein | |
| Nennstrom | 64 A |
| Nennspannung | 230 V |
| ICC | ≤ 10 kA |
| RDF | 0,8 |
| Hersteller-Informationen | |
| Hersteller | Doktorvolt |
| Herstellerzertifikate und Normen | TÜV SÜD ISO 9001:2015 CE IEC 61439 |
| Artikel-No. | DV-2343-F |
| EAN | 5905669992343 |

























