Stromverteiler BAU 1x32A 1x16A 3x230V franz/belg System mit 16A Anbaustecker Doktorvolt DV-2558-F
Baustromverteiler Stromverteiler BAU 32A 16A 3x230V mit Anbaustecker Doktorvolt ®
Vorsicht! Der Stromverteiler muss geschützt werden!
franzözisch/belgisch System
⭐⭐⭐⭐⭐
➡️ Stromverteiler BAU 32A 16A 3x230V Doktorvolt®, Vorteile:
✔️ kompaktes und dichtes Gehäuse aus hochwertigsten Materialien,
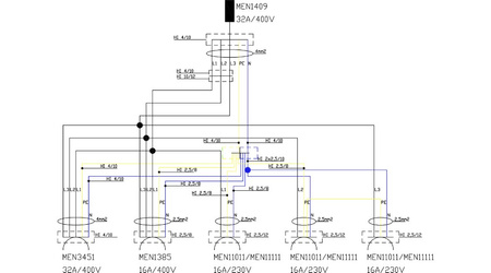
✔️ ausgestattet mit drei 3x 230 V 16 A Steckdosen, 32A 400V und 16A 400V CEE-Steckdosen und 1x 16A Anbaustecker Mennekes,
✔️ Kabel und Steckdosen von namhaften Herstellern elektrischer Geräte,
✔️ Schutzklasse IP 44,
✔️ anschlussfertig.
➡️ Stromverteiler BAU 32A 16A 3x230V Doktorvolt®, Anwendung:
✔️ auf Baustellen und -Flächen und bei Straßenbauarbeiten,
✔️ in Industriebetrieben,
✔️ in Werkstätten und Garagen, wo es notwendig ist, Geräte an eine Steckdose anzuschließen,
✔️ beim Bau des eigenen Hauses,
✔️ um Grünflächen und Massenveranstaltungen im Freien mit Strom zu versorgen.
➡️ Zusammensetzung der Stromverteiler:
✔️ 3x 230V 16 A Steckdosen, Schutzklasse IP 54,
✔️ 1x400V 16A, 1x 400V 32A CEE-Steckdosen, Schutzklasse IP 44,
✔️ 16A Einbaustecker,
✔️ Verkabelung.
➡️ Bei der Herstellung der Stromverteiler hat Doktorvolt® vom TÜV SÜD zertifiziertem Managementsystem implementiert:
✔️ Garantie für hohe Qualität,
✔️ klarer Informationsfluss,
✔️ Garantie für Sicherheit,
✔️ guter Kundenservice.

| Gehäuse | |
| Zubehör | Klemmleiste LZ-4, Griff, Untersetzer |
| Schutzklasse | IP44 |
| Gehäusegröße | 254 x 195 x 160 mm |
| Gehäusematerial | Kunststoff |
| Gehäusefarbe | grau/schwarz |
| Zertifikate und Normen |
DIN 61439-3 |
| Steckdosen und modulare Geräte | |
| CEE-Steckdosen |
1 x 32A 5P 400V IP44 rot Typ 3451 Mennekes |
| 230 V Steckdosen |
3 x 230V 16A 11111 IP44 2P+E |
| Anbaustecker | 1 x 16A/5P 6h 400V IP44 Mennekes TYP 1408 |
| Verkabelung | |
| Verkabelungtyp | H07V-K Leitung 2,5 mm2 gelb-grün H07V-K Leitung 2,5, 4 mm2 Schwarz H07V-K Leitung 2,5, mm2 Blau |
| Allgemein | |
| Nennstrom | 16 A |
| Nennspannung | 230 / 400 V 50Hz AC |
| ICC | - |
| RDF | 0,7 |
| Hersteller-Informationen | |
| Hersteller | Doktorvolt |
| Herstellerzertifikate und Normen | TÜV SÜD ISO 9001:2015 CE IEC 61439 |
| Artikel-No. | DV-2558-F |
| EAN | 5905669992558 |


































