Stromverteiler ECO-S/FI 1x16A 1x32A 2x230V Doktorvolt DV-2633-D
Baustromverteiler Stromverteiler ECO-S/FI 32A 16A 2x230V Schuko System Bals Doktorvolt ®
⭐⭐⭐⭐⭐
➡️ Stromverteiler ECO-S/FI 32A 16A 2x230V Doktorvolt®, Vorteile:
✔️ Kompaktes und dichtes Gehäuse aus hochwertigsten Materialien,
✔️ ausgestattet mit zwei 2x 230 V 16 A Steckdosen und 1x 400 V 32 A, 1x 400 V 16 A CEE-Steckdosen,
✔️ Kabel und Steckdosen von namhaften Herstellern elektrischer Geräte,
✔️ Schutzklasse IP 44,
✔️ anschlussfertig,
✔️ Schutz gegen indirektes Berühren,
✔️ Leitungschutzschalter für Steckdosen.
➡️ Stromverteiler ECO-S/FI 32A 16A 2x230V Doktorvolt®, Anwendung:
✔️ Auf Baustellen und -Flächen und bei Straßenbauarbeiten,
✔️ in Industriebetrieben,
✔️ in Werkstätten und Garagen, wo es notwendig ist, Geräte an eine Steckdose anzuschließen,
✔️ beim Bau des eigenen Hauses,
✔️ um Grünflächen und Massenveranstaltungen im Freien mit Strom zu versorgen.
➡️ Zusammensetzung der Stromverteiler:
✔️ zwei 2x 230 V 16 A Steckdosen, Schutzklasse IP 54,
✔️ 1x 400 V 32 A, 1x 400 V 16 A CEE-Steckdose, Schutzklasse IP 44,
✔️ Leitungschutzschalter für 230 V, 1x C16 1P 6 kA,
✔️ Leitungschutzschalter für 1x C16 3P 6 kA , 1x C32 3P 6 kA CEE-Steckdosen,
✔️ Fi-Schalter 40A 30mA 4P,
✔️ Schiene,
✔️ Verkabelung.
➡️ Bei der Herstellung der Stromverteiler hat Doktorvolt® vom TÜV SÜD zertifiziertem Managementsystem implementiert:
✔️ Garantie für hohe Qualität,
✔️ klarer Informationsfluss,
✔️ Garantie für Sicherheit,
✔️ gute Kundenservice.

| Gehäuse | |
| Modulen Anzahl | 12 |
| Zeilen Anzahl | 1 |
| Montage | Aufputz |
| Schutzart | IP44 |
| Gehäuse Uni | 1000V |
| Gehäusegröße | 360 x 260 x 165 mm |
| Gehäusematerial | Technopolymer |
| Türmaterial | Polycarbonat |
| Farbe der Frontplatte | Grau RAL 7035 |
| Farbe der Rückplatte | Schwarz |
| Schraubenmaterial | Edelstahl |
| Dichtungsmaterial | EPDM Gummi |
| Kabelverschraubung | 1x PG-21 |
| Zertifikate und Normen | CE CEI-23-48/49 IEC 670 |
| Steckdosen und modulare Geräte | |
| Schutz vor direktem Kontakt | 1 x Fi-Schalter 40A 30mA 4P Typ A RCCB |
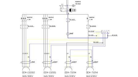
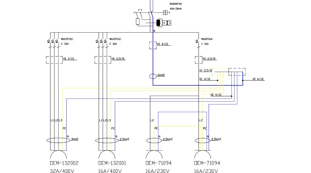
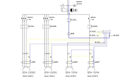
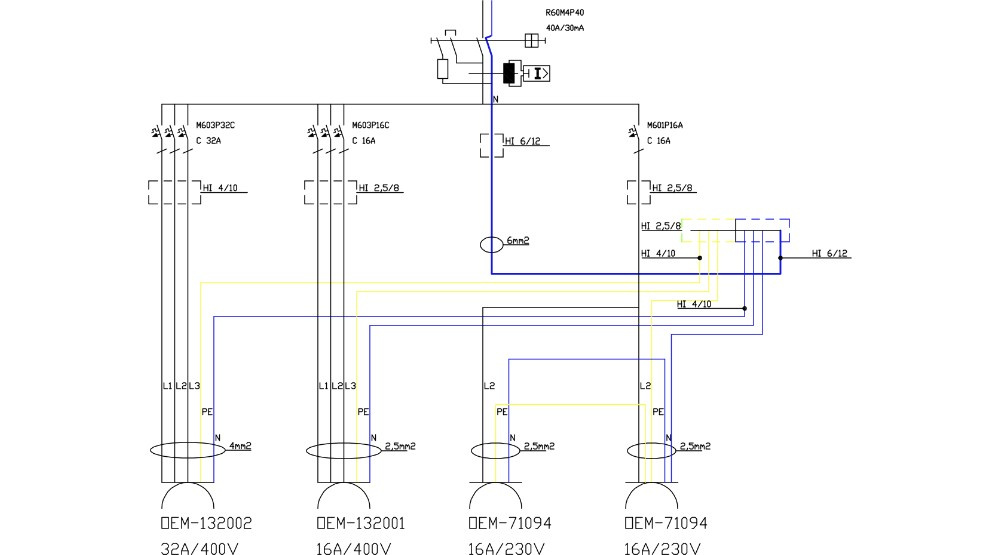
| CEE-Steckdosen | 1 x 32A /5P 400V IP44 Quick-Connect Bals Symbol 132002 1 x 16A/5P 400V IP44 Quick-Connect Bals Symbol 132001 |
| CEE-Steckdosen abgesichert | 1 x C32 3P 6kA 1 x C16 3P 6kA |
| 230V 16A Steckdosen | 2 x 230V 16A Bals 71094 IP54 2P+E Schuko System |
| 230V Steckdosen abgesichert | 1 x C16 1P 6kA |
| Phasenschiene | 3P 12mm² 10M |
| Fi-Schalter Zertifikate und Normen | IIEC/EN 61008-1 TÜV, KEMA, CE |
| Leitungsschutzschalter Zertifikate und Normen | IEC/EN 60898-1 SEMKO, TÜV, CE |
| Verkabelung | |
| Verkabelungtyp | H07V-K Leitung 2,5, 4 mm2 gelb-grün H07V-K Leitung 2,5, 4 mm2 Schwarz H07V-K Leitung 2,5, 4, 6 mm2 Blau |
| Normen und Zertifikate |
CPR RoHS CE |
| Allgemein | |
| Nennstrom | 40 A |
| Nennspannung | 230 / 400 V |
| ICC | ≤ 10 kA |
| RDF | 0,7 |
| Hersteller-Informationen | |
| Hersteller | Doktorvolt |
| Herstellerzertifikate und Normen | TÜV SÜD ISO 9001:2015 CE IEC 61439 |
| Artikel-No. | DV-2633-D |
| EAN | 5905669992633 |




































