
Jeder Gebäudeeigentümer oder -verwalter ist verpflichtet, einen Stromverteiler zu installieren, der für die Verteilung und Messung von Strom verwendet werden soll.
⭐⭐⭐⭐⭐
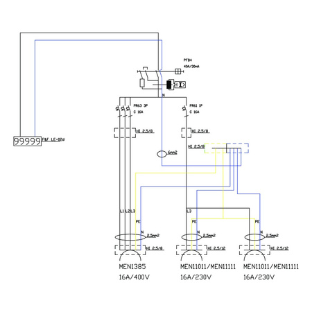
➡️ Stromverteiler TD-S/FI 16A 2x230V Doktorvolt®, Vorteile:
✔️ Kompaktes und dichtes Gehäuse aus hochwertigsten Materialien,
✔️ ausgestattet mit zwei 2x 230 V 16 A Steckdosen und 400 V 16 A CEE-Steckdose,
✔️ 3P Stromzähler,
✔️ Kabel und Steckdosen von namhaften Herstellern elektrischer Geräte,
✔️ Schutzklasse IP 44,
✔️ anschlussfertig,
✔️ Schutz vor direktem Kontakt,
✔️ Leitungschutzschalter für Steckdosen.
➡️ Stromverteiler TD-S/FI 16A 2x230V Doktorvolt®, Anwendung:
✔️ Auf Baustellen und -Flächen und bei Straßenbauarbeiten,
✔️ in Industriebetrieben,
✔️ in Werkstätten und Garagen, wo es notwendig ist, Geräte an eine Steckdose anzuschließen,
✔️ beim Bau des eigenen Hauses,
✔️ um Grünflächen und Massenveranstaltungen im Freien mit Strom zu versorgen.
➡️ Zusammensetzung der Stromverteiler:
✔️ zwei 2x 230 V 16 A Steckdosen, Schutzklasse IP 54,
✔️ 1x 400 V 16 A CEE-Steckdosen, Schutzklasse IP 44,
✔️ Leitungschutzschalter der 230V 1 x C16 1P 10kA Steckdosen,
✔️ Leitungschutzschalter der CEE-Steckdosen 1x C16 3P 10kA,
✔️ Fi-Schalter 40A 30mA 4P,
✔️ 3P Stromzähler,
✔️ Befestigungsschrauben Set mit Kappen,
✔️ Verkabelung.
➡️ Bei der Herstellung der Stromverteiler hat Doktorvolt® vom TÜV SÜD zertifiziertem Managementsystem implementiert:
✔️ Garantie für hohe Qualität,
✔️ klarer Informationsfluss,
✔️ Garantie für Sicherheit,
✔️ gute Kundenservice.



Jeder Gebäudeeigentümer oder -verwalter ist verpflichtet, einen Stromverteiler zu installieren, der für die Verteilung und Messung von Strom verwendet werden soll.

Die Baustromverteiler werden an Orten eingesetzt, an denen der Zugang zur Stromversorgung erforderlich ist, sowie zur Verhinderung der Überlastung von temporären elektrischen Anlagen. Der häufigste Einsatzbereich dieser Produkte ist die Stromversorgung von Baustellen, Massenveranstaltungen, Sportstätten oder Musikdarbietungen. Die Stromverteiler werden auch in der industriellen Infrastruktur und in öffentlichen Gebäuden installiert und eingesetzt.