Stromverteiler TD-S/FI 32A 16A 3x230V mit Nockenschalter 4P Doktorvolt DV-2404-D
Baustromverteiler Stromverteiler TD-S/FI 32A 16A 3x230V mit Nockenschalter 0-1 Schuko System Doktorvolt ®
⭐⭐⭐⭐⭐
➡️ Stromverteiler TD-S/FI 32A 16A 3x230V Doktorvolt®, Vorteile:
✔️ Kompaktes und dichtes Gehäuse aus hochwertigsten Materialien,
✔️ ausgestattet mit drei 3x 230 V 16 A Steckdosen und 400 V 16 A und 400 V 32 A Mennekes-Steckdosen,
✔️ Kabel und Steckdosen von namhaften Herstellern elektrischer Geräte,
✔️ Schutzklasse IP 44,
✔️ anschlussfertig,
✔️ Schutz vor direktem Kontakt,
✔️ Leitungschutzschalter für 230 V Steckdosen und CEE-Steckdosen.
➡️ Stromverteiler TD-S/FI 32A 16A 3x230V Doktorvolt®, Anwendung:
✔️ Auf Baustellen und -Flächen und bei Straßenbauarbeiten,
✔️ in Industriebetrieben,
✔️ in Werkstätten und Garagen, wo es notwendig ist, Geräte an eine Steckdose anzuschließen,
✔️ beim Bau des eigenen Hauses,
✔️ um Grünflächen und Massenveranstaltungen im Freien mit Strom zu versorgen.
➡️ Zusammensetzung der Stromverteiler:
✔️ drei 3x 230 V 16 A Steckdosen, Schutzklasse IP 54,
✔️ 1x 400 V 16 A und 1x 400 V 32 A CEE-Steckdosen, Schutzklasse IP 44,
✔️ Schiene TH/TS 35,
✔️ Leitungschutzschalter der 230V 2 x C16 1P 10kA Steckdosen,
✔️ Leitungschutzschalter der CEE-Steckdosen 1x C32 3P 10kA, 1x C16 1P 10kA,
✔️ Nockenschalter 0-1,
✔️ Fi-Schalter 40A 30mA 4P,
✔️ Befestigungsschrauben Set mit Kappen,
✔️ Verkabelung.
➡️ Bei der Herstellung der Stromverteiler hat Doktorvolt® vom TÜV SÜD zertifiziertem Managementsystem implementiert:
✔️ Garantie für hohe Qualität,
✔️ klarer Informationsfluss,
✔️ Garantie für Sicherheit,
✔️ guter Kundenservice.

- Gehäuse des Verteilerschrankes:
- Anzahl der Module: 12
- Anzahl der Reihen: 1
- Montage: Aufputz
- Schutzart des Verteilerschrankes: IP44
- Nennspannung des Gehäuses: 1000V
- Abmessungen des Gehäuses mit Steckdosen: 360 x 250 x 200 mm
- Material des Gehäuses: Technopolymere
- Material der Türen: Polycarbonat
- Farbe der Frontplatte des Gehäuses: Grau RAL 7035
- Farbe der Rückplatte des Gehäuses: Schwarz
- Material der Schrauben: Edelstahl
- Material der Dichtungen: EPDM-Gummi
- PG-Dichtungen im Set enthalten: 1x PG-16
- Zertifikate und Normen:
- CE
- CEI-23-48/49
- IEC 670
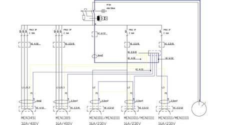
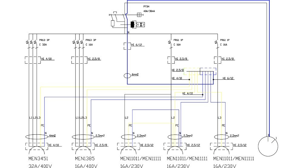
- Steckdosen und modulare Geräte:
- Schutz gegen indirekten Kontakt: Fehlerstromschutzschalter Doktorvolt 40A 30mA 4P Typ A RCCB
- Starkstromsteckdosen: 1 x 16A 5P 400V IP44 Rot Typ 1385 Mennekes, 1 x 32A 5P 400V IP44 Rot Typ 3451 Mennekes
- Überstromschutz der Starkstromsteckdosen: 1 x C16 3P 10kA, 1 x C32 3P 10kA, Doktorvolt
- 230V-Steckdosen: 3 x 230V 16A Mennekes 11011 IP54 2P+E (Deutsches Schuko-System)
- Überstromschutz der 230V-Steckdosen: 2 x C16 1P 10kA, Doktorvolt
- Verbindungsleiste: 3F 11M 12mm² mit kompletter Abdeckungen
- Wählerschalter: 0 - 1 3F 4P 40A 690V S40 JD 1104 A6 SEZ
- Weitere Komponenten: Montageschraubenset mit Abdeckungen
- Verdrahtung:
- Art der Verdrahtung: Steuerleitung H07V-K 2,5, 4 mm² Grün-Gelb, Steuerleitung H07V-K 2,5, 4, 6 mm² Schwarz, Steuerleitung H07V-K 2,5, 4, 6 mm² Blau
- Normen und Zertifikate:
- CPR
- RoHS
- CE
- Allgemeine Informationen:
- Nennstrom: 40 A
- Nennspannung: 230 / 400 V
- ICC: ≤ 10 kA
- RDF: 0,7
- Informationen des Herstellers:
- Hersteller: Doktorvolt
- Zertifikate und Normen des Herstellers:
- TÜV SÜD
- ISO 9001:2015
- CE
- IEC 61439
- Herstellerbezeichnung: DV-2404-D
- EAN: 5905669992404































