Stromverteiler TD 2x32A 4x230V franz/belg System Doktorvolt DV-2435-F
Baustromverteiler Stromverteiler TD 2x32A 4x230V Mennekes Doktorvolt ®
⭐⭐⭐⭐⭐
➡️ Stromverteiler TD 2x32A 4x230V Doktorvolt®, Vorteile:
✔️ Kompaktes und dichtes Gehäuse aus hochwertigsten Materialien,
✔️ ausgestattet mit vier 4x 230 V 16 A Steckdosen und zwei 2x 400 V 32 A Mennekes-Steckdosen,
✔️ Kabel und Steckdosen von namhaften Herstellern elektrischer Geräte,
✔️ Schutzklasse IP 44,
✔️ anschlussfertig.
➡️ Stromverteiler TD 2x32A 4x230V Doktorvolt®, Anwendung:
✔️ Auf Baustellen und -Flächen und bei Straßenbauarbeiten,
✔️ in Industriebetrieben,
✔️ in Werkstätten und Garagen, wo es notwendig ist, Geräte an eine Steckdose anzuschließen,
✔️ beim Bau des eigenen Hauses,
✔️ um Grünflächen und Massenveranstaltungen im Freien mit Strom zu versorgen.
➡️ Zusammensetzung der Stromverteiler:
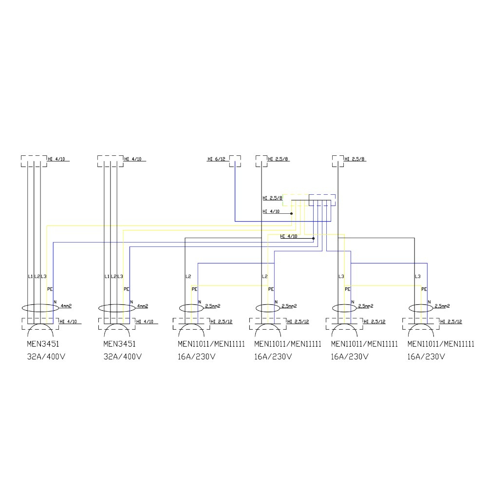
✔️ vier 4x 230 V 16 A Steckdosen, Schutzklasse IP 44,
✔️ zwei 2x 400 V 32 A CEE-Steckdosen, Schutzklasse IP 44,
✔️ Schiene TH/TS 35,
✔️ Befestigungsschrauben Set mit Kappen,
✔️ Verkabelung.
➡️ Bei der Herstellung der Stromverteiler hat Doktorvolt® vom TÜV SÜD zertifiziertem Managementsystem implementiert:
✔️ Garantie für hohe Qualität,
✔️ klarer Informationsfluss,
✔️ Garantie für Sicherheit,
✔️ gute Kundenservice.

| Gehäuse | |
| Modulen Anzahl | 12 |
| Zeilen Anzahl | 1 |
| Montage | Aufputz |
| Schutzart | IP44 |
| Gehäuse Uni | 1000V |
| Gehäusegröße | 360 x 250 x 185 mm |
| Gehäusematerial | Technopolymer |
| Türmaterial | Polycarbonat |
| Farbe der Frontplatte | Grau RAL 7035 |
| Farbe der Rückplatte | Schwarz |
| Schraubenmaterial | Edelstahl |
| Dichtungsmaterial | EPDM Gummi |
| Kabelverschraubung | 1x PG-21 |
| Zertifikate und Normen |
CE |
| Steckdosen und modulare Geräte | |
| CEE-Steckdosen |
2x 32A 5P 400V IP44 rot Typ 3451 Mennekes |
| Steckdosen 230V |
4 x 230V 16A 11111 IP44 2P+E Mennekes franz/belg System |
| Zubehör |
Befestigungsschrauben Set mit Kappen |
| Verkabelung | |
| Verkabelungtyp | H07V-K Leitung 2,5, 4 mm2 gelb-grün H07V-K Leitung 2,5, 4 mm2 Schwarz H07V-K Leitung 2,5, 4, 10 mm2 Blau |
| Allgemein | |
| Nennstrom | 96 A |
| Nennspannung | 230 / 400 V 50Hz AC |
| ICC | ≤ 10 kA |
| RDF | 1 |
| Hersteller-Informationen | |
| Hersteller | Doktorvolt |
| Herstellerzertifikate und Normen | TÜV SÜD ISO 9001:2015 CE IEC 61439 |
| Artikel-No. | DV-2435-F |
| EAN | 5905669992435 |






















