Baustromverteiler TD 2x32A 4x230V Stromverteiler CEE Mennekes Doktorvolt DV-2176-D
Baustromverteiler Stromverteiler TD-S 32A 2x230V Schuko System Mennekes-Steckdosen Stromverteiler Doktorvolt ®
⭐⭐⭐⭐⭐
➡️ Technische Daten:
✔️ vier 4x 230 V 16 A Mennekes Steckdosen, Schutzklasse IP 54,
✔️ 2x 32 A 400 V Mennekes CEE-Steckdosen, Schutzklasse IP 44,
✔️ TH/TS 35-Schiene,
✔️ Befestigungsschrauben Set mit Kappen.
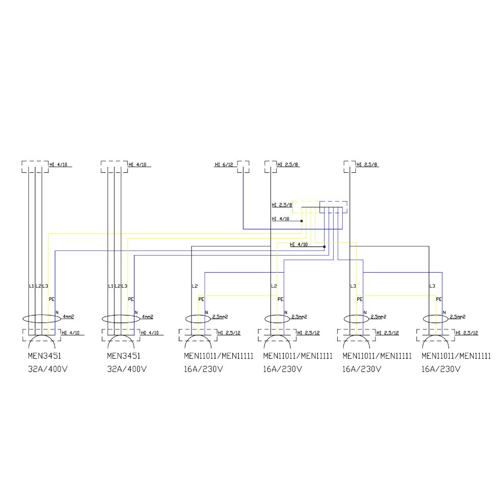
✔️ Verkabelung
➡️ Vorteile:
✔️ Kompaktes und dichtes Gehäuse aus hochwertigsten Materialien,
✔️ ausgestattet mit vier 230 V 16 A Steckdosen und zwei 2x 32A 400V Mennekes-Steckdose,
✔️ Kabel und Steckdosen von namhaften Herstellern elektrischer Geräte,
✔️ Schutzklasse IP 44
✔️ anschlussfertig,
➡️ Anwendung:
✔️ Auf Baustellen und -Flächen und bei Straßenbauarbeiten.
✔️ in Industriebetrieben.
✔️ in Werkstätten und Garagen, wo es notwendig ist, Geräte mit Starkstrom zu versorgen.
✔️ Beim Bau des eigenen Hauses.
✔️ Um Grünflächen und Massenveranstaltungen im Freien mit Strom zu versorgen.
➡️ Geprüfte Produktionsprozesse nach höchsten Standards durch TÜV-SÜD:
✔️ Garantie für hohe Qualität.
✔️ klarer Informationsfluss.
✔️ Garantie für Sicherheit.
✔️ Kundenservice.

| Gehäuse | |
| Modulen Anzahl | 12 |
| Zeilen Anzahl | 1 |
| Montage | Aufputz |
| Schutzart | IP44 |
| Gehäuse Uni | 1000V |
| Gehäusegröße | 360 x 250 x 200 mm |
| Gehäusematerial | Technopolymer |
| Türmaterial | Polycarbonat |
| Tragegriff | ja |
| Farbe der Frontplatte | Grau RAL 7035 |
| Farbe der Rückplatte | Schwarz |
| Schraubenmaterial | Edelstahl |
| Dichtungsmaterial | EPDM Gummi |
| Kabelverschraubung | 1x PG-21 |
| Zertifikate und Normen | CE CEI-23-48/49 IEC 670 |
| Steckdosen und modulare Geräte | |
| CEE-Steckdosen | 2x 32A 5p 400V IP44 rot Typ 3451 Mennekes |
| 230V 16A Steckdosen |
4 x 230V 16A Mennekes 11011 IP54 Schuko System |
| Zubehör | Befestigungsschrauben Set mit Kappen |
| Verkabelung | |
| Verkabelungtyp | H07V-K Leitung 2,5, 4 mm2 gelb-grün H07V-K Leitung 2,5, 4 mm2 Schwarz H07V-K Leitung 2,5, 4, 10 mm2 Blau |
| Normen und Zertifikate |
CPR RoHS CE |
| Allgemein | |
| Nennstrom | 96 A |
| Nennspannung | 230 / 400 V |
| ICC | ≤ 10 kA |
| RDF | 1 |
| Hersteller-Informationen | |
| Hersteller | Doktorvolt |
| Herstellerzertifikate und Normen | TÜV SÜD ISO 9001:2015 CE IEC 61439 |
| Artikel-No. | DV-2176-D |
| EAN | 5905669992176 |












